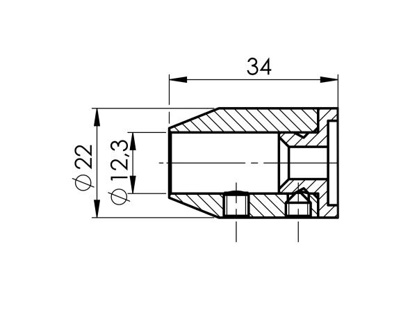
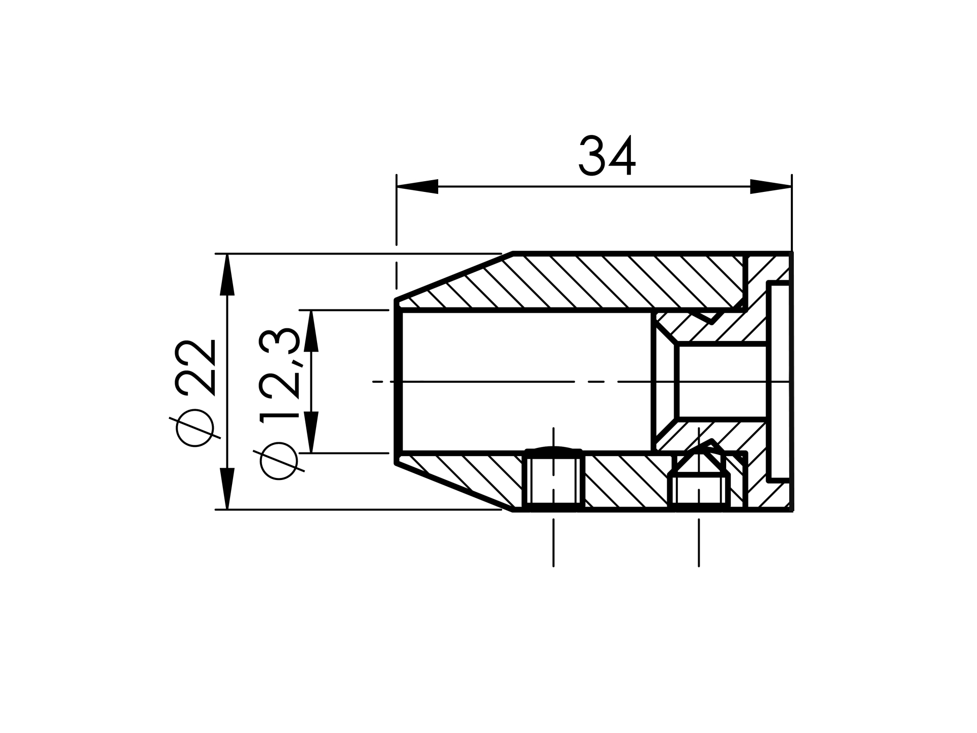
Edelstahl Querstabhalter Ø12,0 mm/FLACH Traversenhalter Reling Geländer Relinggeländer V2A

Kauf auf Rechnung 
Verkauf an Privat & Gewerbe